RADIO KITS IN JAさんのブログに禁断のヘッドホンアンプが掲載
大まかにはその通りですが、どちらかというと「使っちゃダメ。」というよりも「作っちゃダメ。」という意味合いを強く意識したような気がします。
下の方で回路考察もされていらっしゃいますので、興味のある方は見てみるのも良いかと思います。
こちらもどうぞ。
ClassAA って名の動作は、存在しない。「製造メーカーがCLASS Bに属する」と宣言済み
かつて、疑似A級アンプというのがオーディオメーカー各社で開発されていて「AB級アンプの消費電力でA級アンプの音質」を目標に色々と素晴らしい回路を考案されていました。 ただ、ネーミングで苦労されたのだと思います。 ネーミングってセールスに直接影響でますし、かっこよくて一般人に分りやすい名称が必要になってきます。
ビクターでは
1979年 A-X5 スーパー A
1982年 A-X77 ダイナミックスーパー A
1989年 AX-S550 オプト・スーパーA
1995年 ME-1000 アドバンストスーパー A
テクニクスでは
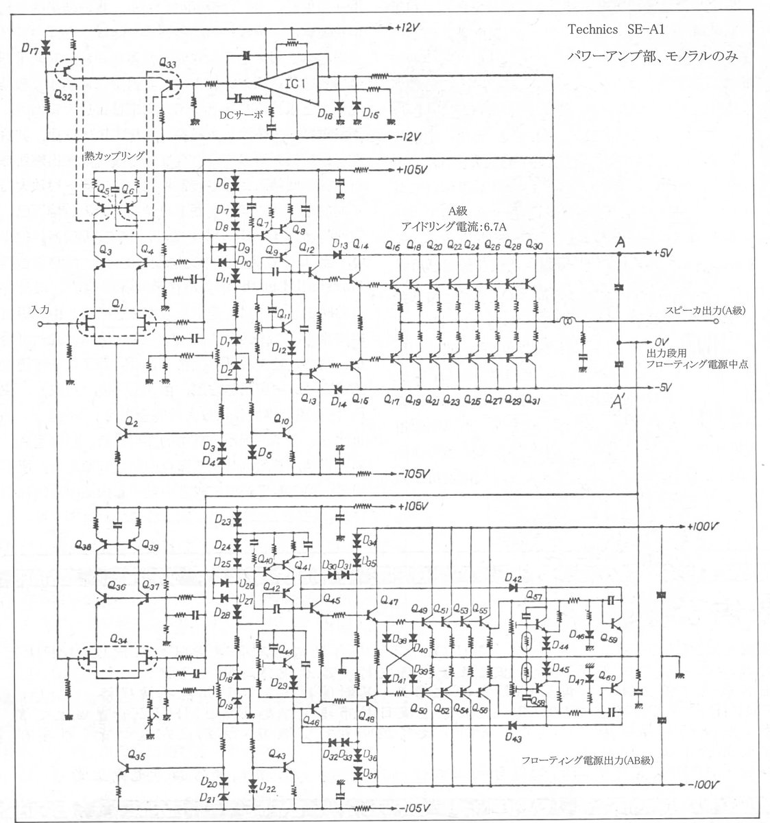
1977年 SE-A1 Class A+(A+級)
1979年 SE-A3 new classAアンプ(シンクロバイアス回路)
1985年 SE-A100 ClassAA回路
1995年 SE-A1000 MOSクラスAAアンプ
デンオンの
「ピュア A 級」、「New Super Optical Class A」、「MOS Super Optical Class A 」
ヤマハの
「Hyperbolic Conversion Amplification(HCA)回路」
マランツの
「クォーター A」
などなど、調べればキリがないくらい出てきますね。
ちなみにRADIO KITS IN JAさんは350種類もの電子工作の基板を出していまして、町田のサトー電気などで販売されていらっしゃいます。ラジオキット(トランジスタ、真空管)、ワイヤレスマイク、ダイレクトコンバージョンなどなど。
« HPA-1000とPRT-03の部品表更新しました | トップページ | 発振が止まらない新アンプ »





たかじんさん
回路考察について、たかじんさんのご意見をききたいです。
私は、木を見て森を見ずのように思いました。
追伸
日本語のほうですが、RADIO KITS IN JAさんは、比喩表現(メタファー)に理解が及んでいないようですね。禁断症状ということばから、転じて、依存してしまうほど魅惑的という意味があります。禁断叢書ということばがその例です。澁澤龍彦さんが命名しました。
投稿: n'Guin | 2025年5月 3日 (土) 04時46分
追伸です。 ことば足らずだったかと。
木を見て森を見ずと書いたのは、ある特性のみを評価して良し悪しを決めているからです。
「あちらをたてれば、こちらがたたず。」というのは回路設計でよくでてきますが、ある特性を重視すれば、他の特性が犠牲になります。よって、ひとつの特性で評価というのは乱暴だと感じた次第です。
投稿: n'Guin | 2025年5月 3日 (土) 05時02分
n'Guin さん
禁断症状。 たしかに、、、断つことが難しいくらい魅了されてしまうという意味でも使われますね。
当該コメント欄にも「禁断の果実」と書いている方がいらっしゃいました。
今風な表現なら「ヤバいヘッドホンアンプ」ですかね(古い?)
それはさておき、回路考察の方ですが、
RADIO KITS IN JAさんが書かれているように、フィードバックループ内に別のオペアンプが挿入されることで遅延・位相遅れが発生し、適切な位相補償をしないとリンギング(オーバーシュート・アンダーシュート)が発生します。 オペアンプの種類によっては発振を止められない(=リンギングよりも更にひどい状況)という事も起こります。
組み合わせの難しさと、うまくハマった時の音の良さを体感できるという意味で自作向きなのかもしれません。
回路設計に限らず、何かを追加することによる利点・欠点は多くの場合、同時に発生するものだと思います。 欠点を無視することができる、もしくは何かしら対処できる場合には、メリットの恩恵を受けることができるのではないでしょうか。
良薬は口に苦し。 でしょうか。
どういう欠点があるのか理解した上で使うのが良いですね。
投稿: たかじん | 2025年5月 3日 (土) 08時47分
まともに相手にしないほうが良い人も世の中たくさんいますよ。
会社に属していると、およそ一生で会わないような方。
ほめてあげるのが一番です。
子育ての経験が有る無いで世の中の見方が全く異なります。
与える側と与えられる側です。
頭の中のシーケンスといいますか、思考のクセというものは発達しません。
いつまでも子供の方がいます。よしよしヾ(・ω・`)してあげましょう。
投稿: めんきち | 2025年5月 4日 (日) 14時28分
めんきちさん
ありがとうございます。
この記事だけを読むと少し思うところもありますが、電子工作用の基板を350種類も作っているなど目を見張る部分もあります。 オーディオ系とは少し違いますが、創意工夫と技術の確かさなど感じずにはいられません。
いわゆる無線屋という感じですかね。
投稿: たかじん | 2025年5月 4日 (日) 23時16分
辞書で言葉の意味を調べるとき、予想した意味の説明が見つかればよしとする人と、別の意味や用例も含めてその言葉の説明全部に一通り目を通し、更には類義語や反対語まで調べる人の2種類の人たちに大きく分けられると思いますが、件の人は前者のように感じられますね。
また、メーカーの技術者だってB級動作であることは十分に理解した上でA級とは謳えない、じゃどうネーミングすればいいんだという悩みや葛藤があったはず。その技術者の心情に思いを馳せることができない人のようにも思えます。
投稿: 三毛にゃんジェロ | 2025年5月 4日 (日) 23時44分
三毛にゃんジェロさん
回路のネーミングは悩み所だったでしょうね。
それにしてもデンオンの「ピュアA級」はさすがにどうかと思います(笑)
https://audio-heritage.jp/DENON/amp/pma-1010d.html
技術屋さんが考えたのか、営業・企画チームが考えたのか・・・
投稿: たかじん | 2025年5月 4日 (日) 23時58分
たかじんさん
デンオンの「ピュアA級」、はかなりの誇大広告ですね。
普通にAB級ですよ。
(1Wまで)を後付けで入れている所がずるいです。
パイオニアのエクスクルーシブM5の様な力技A級であれば、まだ良いと思いますが。
https://audiocircuit.dk/downloads/pioneer/Pioneer-M5-pwr-sm-jp.pdf
投稿: Nfm | 2025年5月 7日 (水) 21時07分
Nfmさん
おっしゃる通りですね。 1WまでA級動作って・・・普通にAB級ですよね。
私もアイドリング電流を設定するとき、ひずみ率モニター波形をみて8Ω5Wまでスイッチング歪が見えない程度に調整したりもします。
エクスクルーシブM5のリンクありがとうございます。
とんでもない力作ですね。 スーパーリニアサーキットと、電源シフト用の差動アンプとで完全に2系統のパワーアンプが内蔵されています。
ひとつ気になったのは、6ページ目の回路図に載っているD4(ブリッジダイオード)です。
±6Vのフローティング電源の+極側だけに挿入されています。 何ですかね、これ。
終段の電源を低い電圧のフローティング電源にして、別のアンプで電源をシフトする方式って他のメーカでもやっていたような気がしますね。 KENWOODとか松下あたりで。
https://pbs.twimg.com/media/C6AV2AzVUAAtUiK.jpg
投稿: たかじん | 2025年5月10日 (土) 08時48分
たかじんさん
回路図のそんな細かいところまで確認されておられるとは!凄いです。
最初D4は高圧側(89V)からの逆電流防止なのではないかと思いました。
(電流ループ的にはループ内に1箇所入れれば良いので)
しかし24ページの詳細回路図ではD4の結線が逆流側もOKになっており、逆流防止じゃないみたいです。
推察ですがC2の耐圧が高圧系と同じ100Vという事もありリザーブ電源的な動作をするのかもしれません。
投稿: Nfm | 2025年5月11日 (日) 12時16分
Nfm さん
アンプ回路部は解読するのに時間がかかるのでざっとしか見ていませんが、フローティング電源部分は簡単に読み解けるので見てみただけです。
確かに24ページの回路図のD4はアノード/カソードを逆並列にした接続にみえますね。 ブロックコンデンサが3個並んでいるのは奇妙に見えますね。 同じものを使いまわしたかったのか、リザーブ電源的に余裕を持たせているのか・・・
しかし、このアンプ、終段無帰還ではなく、メジャーループが一切ない完全無帰還アンプなんですね。 DCサーボ無しでオフセット(ドリフト)は出なかったのでしょうか。
投稿: たかじん | 2025年5月12日 (月) 22時40分